盈动财经

新兴铸管获得外观设计专利授权:“电子设备的环保管控图形用户界面”

12 07月
作者:小微|{/foreach}{/if}

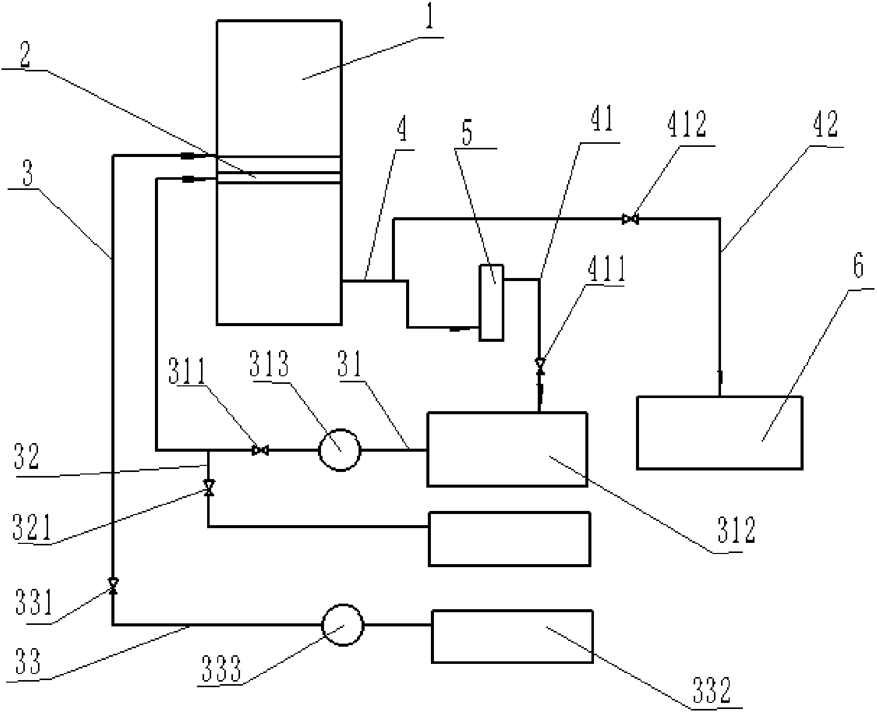
证券之星消息,根据天眼查APP数据显示新兴铸管(000778)新获得一项外观设计专利授权,专利名为“电子设备的环保管控图形用户界面”,专利申请号为CN202430618927.6,授权日为2025年7月11日。

新兴铸管获得外观设计专利授权:“电子设备的环保管控图形用户界面”
图片来源于网络,如有侵权,请联系删除

专利摘要:1.本外观设计产品的名称:电子设备的环保管控图形用户界面。2.本外观设计产品的用途:一种电子设备。3.本外观设计产品的设计要点:在于图形用户界面的内容。4.最能表明设计要点的图片或照片:主视图。5.图形用户界面的用途:用于监测管控企业工作现场的日常环保使用,对冶金企业工作现场进行自动化、数字化监测。6.图形用户界面的变化状态说明:主视图为首页的显示界面,点击主视图左下角的“排放源清单”进入界面变化状态图1,该界面显示各部门的排放源清单,点击界面变化状态图1各部门后面的“查看”按钮进入到界面变化状态图2,该界面显示该部门的排放源和设备的基本信息,点击界面变化状态图2中的“在线监测”进入界面变化状态图3,该界面显示具体设备的运行情况。

新兴铸管获得外观设计专利授权:“电子设备的环保管控图形用户界面”
图片来源于网络,如有侵权,请联系删除

今年以来新兴铸管新获得专利授权85个,较去年同期增加了226.92%。结合公司2024年年报财务数据,2024年公司在研发方面投入了3.65亿元,同比减3.25%。

新兴铸管获得外观设计专利授权:“电子设备的环保管控图形用户界面”
图片来源于网络,如有侵权,请联系删除

通过天眼查大数据分析,新兴铸管股份有限公司共对外投资了44家企业,参与招投标项目32721次;财产线索方面有商标信息43条,专利信息3047条,著作权信息68条;此外企业还拥有行政许可73个。

数据来源:天眼查APP

以上内容为证券之星据公开信息整理,由AI算法生成(网信算备310104345710301240019号),不构成投资建议。

浏览63.2k
返回
目录
返回
首页
世界银行对荷兰GenKey公司实施18个月制裁 交易商协会对6家债券主承销商启动自律调查

Copyright © 2024 dw 版权所有

备案号: 蜀ICP备2024051291号-17

盈动财经专业为您提供视野洞察、能源期货、黄金市场、金融市场、财经专题等财经方面资讯,盈动财经是一个专业财经领域资讯服务者。

本站部分内容为转载,不代表本站立场,如有侵权请联系处理。