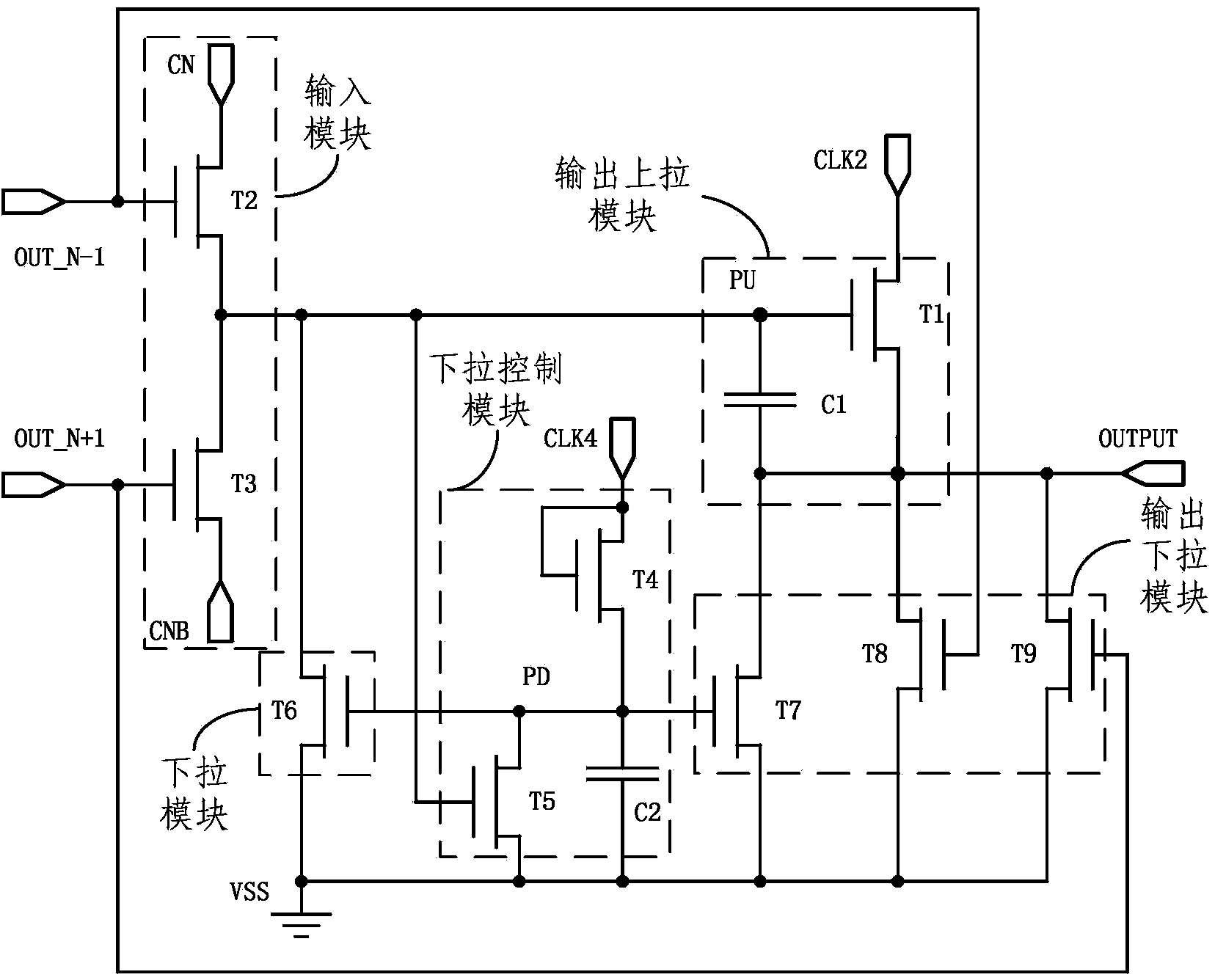
京东方A公布国际专利申请:“移位寄存器、栅极驱动电路、驱动方法及显示装置”
证券之星消息,根据企查查数据显示京东方A(000725)公布了一项国际专利申请,专利名为“移位寄存器、栅极驱动电路、驱动方法及显示装置”,专利申请号为PCT/CN2024/070169,国际公布日为2025年7月10日。

图片来源于网络,如有侵权,请联系删除
专利详情如下:

图片来源于网络,如有侵权,请联系删除
图片来源:世界知识产权组织(WIPO)

图片来源于网络,如有侵权,请联系删除
今年以来京东方A已公布的国际专利申请657个,较去年同期增加了17.32%。结合公司2024年年报财务数据,2024年公司在研发方面投入了131.23亿元,同比增15.94%。
数据来源:企查查
以上内容为证券之星据公开信息整理,由AI算法生成(网信算备310104345710301240019号),不构成投资建议。
目录 返回
首页
