中兴通讯公布国际专利申请:“故障定位检测方法、光线路终端、无源光网络系统和介质”
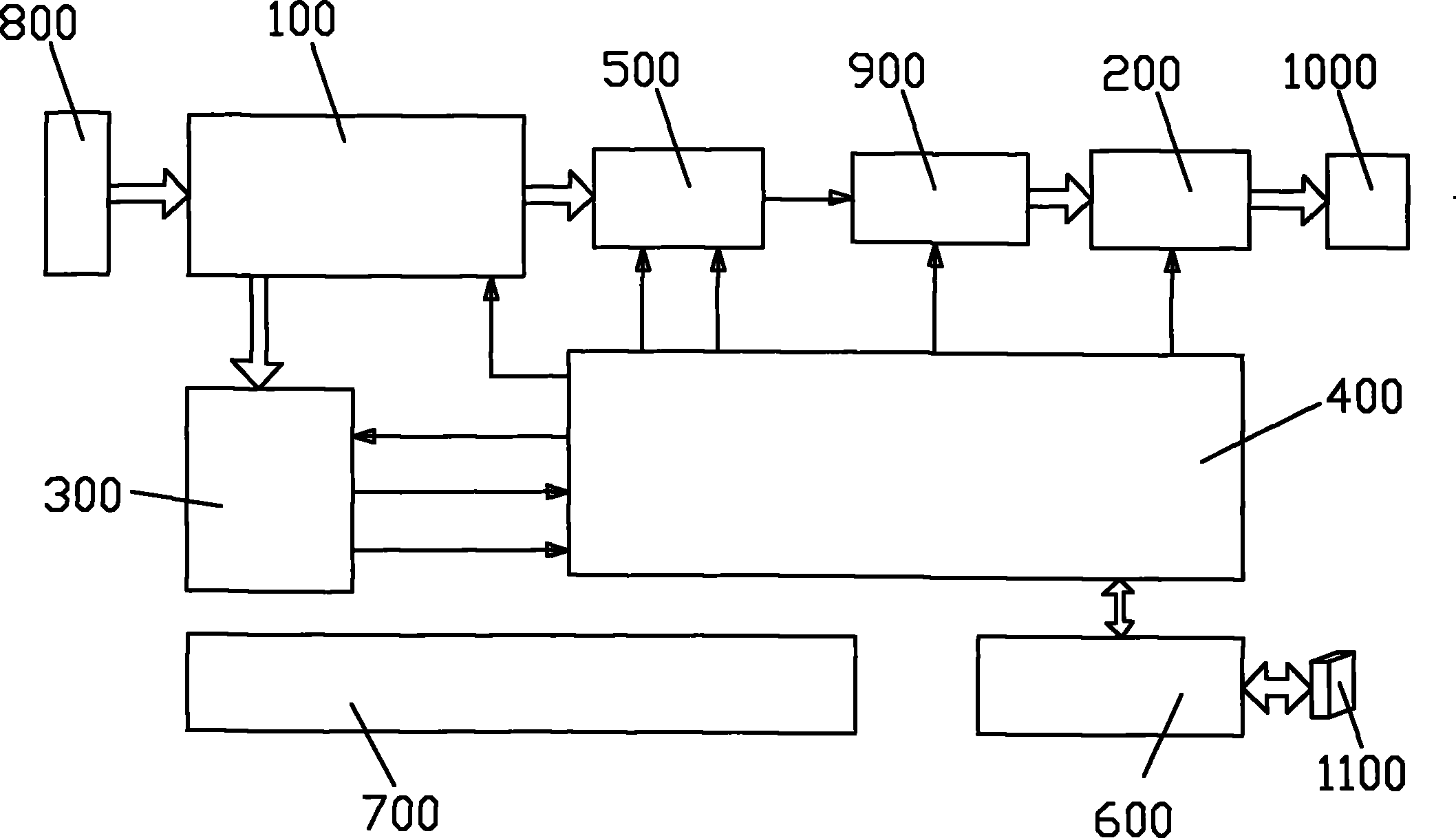
证券之星消息,根据企查查数据显示中兴通讯(000063)公布了一项国际专利申请,专利名为“故障定位检测方法、光线路终端、无源光网络系统和介质”,专利申请号为PCT/CN2025/084354,国际公布日为2025年10月16日。

图片来源于网络,如有侵权,请联系删除
专利详情如下:
图片来源:世界知识产权组织(WIPO)
今年以来中兴通讯已公布的国际专利申请901个,较去年同期减少了12.69%。结合公司2025年中报财务数据,今年上半年公司在研发方面投入了126.65亿元,同比减0.48%。
数据来源:企查查
以上内容为证券之星据公开信息整理,由AI算法生成(网信算备310104345710301240019号),不构成投资建议。
目录 返回
首页
